|
- 第1回:大工塾の活動からはじめて
- 第2回:木材の特性と木構造の基礎知識を知る
- 第3回:地域材活用と中大規模木造建物(1) つくば市立東小学校
- 第4回:地域材活用と中大規模木造建物(2) 熊本県和水町立三加和小中学校
- 第5回:地域材活用と中大規模木造建物(3) 韮崎市すずらん保育園
- 第6回:中大規模木造の耐震補強事例 臨江閣別館の耐震改修
|

山辺 豊彦
(やまべ とよひこ
/ Toyohiko Yamabe)
< 略 歴 >
|
1946
|
石川県生まれ
|
|
1969
|
法政大学工学部建設工学科建築専攻 卒業、青木繁研究室 入所
|
|
1978
|
山辺構造設計事務所 設立
|
|
1982
|
(有)山辺構造設計事務所 設立
|
1982
|
1997
|
法政大学工学部建築学科 非常勤講師
|
2006
|
2008
|
千葉大学工学部建築学科 非常勤講師
|
一社)日本建築構造技術者協会 関東甲信越支部 東京サテライト 顧問
一社)住宅医協会 代表理事
日本構造家倶楽部 理事
< 主 な 作 品 >
我孫子市立鳥の博物館、芦北青少年の家、金沢区総合庁舎(公会堂棟、事務所棟)、西脇市多目的体育館、碧南市多目的体育館、都立府中朝日養護学校、棚倉町立社川小学校、つくば市立東小学校、田園調布学園中等部・高等部、カリタス女子中学高等学校、七沢希望の丘初等学校、高島市立朽木東小学校・朽木中学校体育館、熊本県和水町立三加和小・中学校木造校舎・屋内運動場、韮崎市すずらん保育園、日本点字図書館、むつ市立図書館、JR赤湯駅舎、JR大曲駅舎、JRひたち野うしく駅舎、JR新庄駅舎、正田醤油本社屋
文化財保存修理:建長寺法堂、護国寺月光殿、豊平館
< 受 賞 歴 >
|
1997
|
第7回RM賞 大森東1丁目団地
|
|
1999
|
JSCA賞佳作賞 木材を活用した学校施設の構造設計(つくば市立東小学校、棚倉町立社川小学校)
|
|
1999
|
BCS賞 棚倉町立社川小学校
|
|
2009
|
日本構造デザイン賞(松井源吾特別賞)地域材活用による一連の構造設計と実験活動
|
|
2015
|
耐震改修優秀建築賞:愛農学園農業高等学校本館
|
|
2016
|
第19回木材活用コンクール最優秀賞 農林水産大臣賞:和水町立三加和小中学校
|
< 著 書 >

ヤマベの木構造 増補改訂版
/エクスナレッジ 2013.5

渡り腮(あご)構法の
住宅のつくり方 —
木の構造システムと設計方法
/建築技術 2008.12 共著

世界で一番やさしい木構造
増補改訂カラー版
/エクスナレッジ 2013.2

世界で一番くわしい木構造
/エクスナレッジ 2011.8

ヤマベの木構造
現場必携ハンドブック
/エクスナレッジ 2013.9

絵解き・住まいを守る耐震性入門
— 地震に強い木の家をつくる
/風土社 2008.10 監修

ゼロからはじめる 5
木構造
/エクスナレッジ 2010.9

ヤマベの木造耐震診断・改修
/エクスナレッジ 今秋発売!!
< 編 集 協 力 等 >
「あたたかみとうるおいのある木の学校選集」文部省/文教施設協会 1998.5
「あたたかみとうるおいのある木の学校」文部科学省/文教施設協会 2004.8
「あたたかみとうるおいのある木の学校 早わかり木の学校」文部科学省/文教施設協会 2007.12
「こうやって作る木の学校~木材利用の進め方のポイント、工夫事例~」文部科学省・農林水産省 2010.5
「木質系混構造建築物の構造設計の手引き」(財)日本住宅・木材技術センター 2012.1
第4回:地域材活用と中大規模木造建物(2)熊本県和水町立三加和小中学校
設計|建築:野沢正光建築工房 + 一宇一級建築士事務所 + UL設計室+東大森裕子時空間設計室
|構造:山辺構造設計事務所
|設備:小路設備設計事務所
施工:本山建設(木造校舎)
三和建設(屋内運動場)
宇都宮建設(中学校校舎等改修)
工芸社・ハヤタ(木工事)
敷地面積:38,179.5m²
建築面積|木造校舎 + 屋内運動場:2,145.8m²
|既存改修校舎:1,615.3m²
延床面積|木造校舎 + 屋内運動場:1,965.17m²
|既存改修校舎:4,176.15m²
階数:木造校舎 + 屋内運動場 地上1階
構造:木造
【図1】配置平面図
2011年10月に行われた「くまもとアートポリス」のプロポーザルにおいて選定された、小中併設型校舎の計画である。既存中学校の敷地に、地域の3小学校の新たな統合校舎を計画するという課題であった。
徹底的な木造の学校
既存校舎とグラウンドには1.2mほどの高低差があり、この高低差を活かして教室を配置している。低学年用教室は、南側に専用のグラウンドが広がる配置となっている。直接校庭に出ることができるようにデッキが連続し、深い庇が夏場の強い日射を遮る。既存校舎とフラットに接続する北側のレベルには中学年教室や段床の音楽室を配置し、中庭を挟んでスロープでロの字型につながる構成として子供たちが自由に回遊できるようにしている。小学校の高学年の教室は既存校舎の1階の一部を改修して内装木質化を行い、既存校舎と木造校舎との間の外部空間はデッキテラスとして、子供たちの格好の遊び場となるように意図した。校舎、屋内運動場ともに、外気取入れ太陽熱利用システムが装備されている。これにより冬期の暖房と換気、夏期の夜間外気の導入による採涼が果たされる。屋内運動場の屋根に降る雨は、雨水タンクを経由して中学年教室の床下ピットの貯留槽に溜められ、トイレの洗浄水として利用している。
【写真1】外観
構造設計概要
■地場産材の活用
熊本県鹿北地域の地場産材としては「アヤスギ」がある。特徴としては緩慢な成長で、材質としては緻密で堅く芯材は赤黄色を帯び、スギ独特の鮮やかな色彩をしている。一般にスギは芯に近いほど含水率が高いが、「アヤスギ」はむしろヒノキに近く、辺材部分の方が芯に比べて含水率が高い特徴をもっている。
この「アヤスギ」を用いて束ね重ね材を製作している地元のJIS認定工場があり、本設計ではこの束ね重ね材を校舎棟、屋内運動場の双方で採用した。この束ね重ね材は建築基準法第37条認定を取得した材料で、木材をエポキシ樹脂で圧着した材である(【写真2】)。高温乾燥(含水率18%以下)させた木材を6時間程度7kg/㎠の圧力で圧着させ、最大幅300mm、せい1200mm、長さ16mまでの断面を製造することができる(【写真3】)。
【写真2】圧着後の束ね重ね材
【写真3】束ね重ね材の圧着状況
■校舎棟の架構計画
主架構の形状は、原則として定尺材を使用することを念頭に置き考えた。その結果、教室などの大きなスパンでは、材端支持点に方杖を用いた架構形状を採用した。柱から方杖を出すことにより、梁スパンの支点間距離を短くした(【図2】)。
【図2】方杖架構軸組図
木組みは、柱及び方杖によって支持される梁端部はダブル材とし、方杖架構間の中間材は普通教室ではスパン約7.3mであるため、シングル材とした(【写真4】)。それ以上の柱スパン間を有する職員室や音楽室では、中間材はトリプル材(並列配置)とした(【写真5】)。梁の継手はボルト接合とし、縁端のあき・ボルト間隔に注意した。また、主材幅に対してボルト径(径長比)を小さくし、母材に割裂きが発生しないよう特に留意した。
【写真4】普通教室の方杖架構
【写真5】音楽室の方杖架構
接合部は、実大実験により耐力及び変形性状や破壊形状を確認した(【写真6】、熊本県立大学北原研究室)。実験後、試験体を解体し破壊性状を確認したが、母材に割裂きが見られず、ボルトが緩やかに変形し、終局状態に達していることが判明した(【写真7】)。実験から得られた荷重変形曲線より、接合部の回転ばね定数を求め応力解析を行い、再確認した。
【写真6】校舎棟梁の載荷試験状況
【写真7】試験体の解体状況
水平荷重に対する構造計画は、X方向は壁柱(束ね重ね材)として抵抗するラーメン構造、Y方向は構造用合板を耐力壁とした壁構造とした(【図3】)。X方向に採用した壁柱は、基礎からの片持ち柱形式として水平荷重を処理できるようにし、配置される壁柱の剛性に応じて建物の水平力を負担するようにした。片持ち柱で最も重要な部分である脚部は、壁柱の両端部に生じる曲げ応力(引抜力)、壁柱の中央部に生じる負担せん断力に対して、壁柱に1-M16(全ねじ仕様)を埋め込み、エポキシ樹脂系接着剤で緊結している(【図4】)。
建物全体の水平力は、各壁柱または耐力壁が分担できるよう、屋根面に厚板の構造用合板を四周釘打ちし、水平剛性を確保した。
【図3】壁柱配置図(赤線は壁柱を示す)
【図4】壁柱脚部取付図
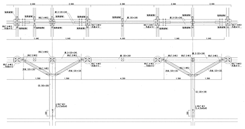
■屋内運動場の架構計画
屋内運動場は、32.4×21.0mの大空間を有するアリーナを中心に、両妻面に下屋が取り付いた形状となっている。
短辺方向のフレーム架構にも、束ね重ね材を使用している(【図5】)。これは、使用部材長が最大約10mで、部材断面が最大150×360mm必要となり、製材の単材でこれと同等の部材を大量に確保するのは、コスト的にも時間的にも難しいことから、束ね重ね材を採用した。【写真8】は、各柱、梁、斜め柱の木組みを示している。並列材の組合せで一つの部材を形成し、接合部は各部材を嵌合して一つの架構をつくっている。
【図5】短辺方向架構図
【写真8】並列材の組合せの模型
部材接合部は、嵌合接合+複数の木栓+1本の座金付きボルトの複合接合となっている。嵌合接合及び木栓で変形に追随できる靱性をもった接合部に、これら複数の部材の一体性を確保すると同時に曲げの中心に位置するよう座金付きボルトを配置した。
この接合部についても、実大実験を行い、耐力、変形性状及び破壊形状を確認した。【写真9】は、斜め柱と水平梁の接合部の試験体である。実験後、試験体を解体し破壊形状を確認したが、相欠きの部分にめり込みと木栓の曲がりが確認できたが、母材の割裂き及びボルトの大変形は認められなかった(【写真10】)。校舎棟の実験同様、粘りのある破壊形状を示した。実験から得られた荷重変形曲線より、接合部の回転ばね定数を求め応力解析結果を見ると、実験の最大荷重の約1/6となっていることを確認した。
【写真9】屋内運動場柱梁仕口部の試験状況
【写真10】試験体の解体状況
長辺方向の架構は、構造用合板による構造形式とした。構造用合板の壁倍率は、釘の配列により算出した(壁倍率約4.5倍を確保)。
アリーナ部分は水平力伝達が重要である。短辺方向は各フレームが負担荷重を処理しているが、長辺方向は外周面の耐震要素が負担するため、屋根面に厚板構造用合板を採用し水平剛性を確保した。
屋根形状は、長辺方向で両妻面に向かって勾配をもつ形状となっている。さらに、長辺方向は棟を境に左右の勾配が異なる屋根形状となっている。そのため、フレームの部材長さや部材角度がすべて微妙に異なる架構形状となっており、施工時の材料加工の精度には十分注意を払った。接合部の欠込みは部材の表裏でも角度が異なるため、地元の大工さんが部材1本1本の加工製作図を起こし、手刻みにより製作した。
【写真11】屋内運動場 内観
木材の加工組立を通して最も重要なことは、現寸図を描くことであると痛感した。そして本工事にはその任にあたるべきふさわしい地元大工さんが存在したことに感謝したい。この学校は、まさしく「アヤスギ」という地域材を活用し、地元の乾燥加工工場で「束ね重ね材」を製作し、地元の施工会社(校舎棟はプレカット、屋内運動場は主として大工さんの手刻み)によって建設された建物で、地域の人達に愛着を持って長く使用されていくことを期待している。